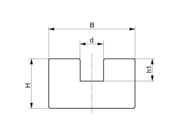
Type R
Eigenschappen
Uw keuze
Gekozen variant
Articles for selection:
Total articles:

Kies a.u.b. de desktopweergave om dit productgedeelte volledig weer te geven.
Stap over op het dwarsformaat van uw tablet a.u.b. om dit productgedeelte volledig weer te geven.

